1 工藝流程及主要參數
淶水冀東水泥有限公司3個水泥粉磨系統均采用JLMS-24.3立磨與Φ4.8m×9.5m球磨機組成聯合粉磨系統。JLMS-24.3立磨裝機功率2240kW,磨盤中徑2400mm,3個磨輥,磨盤轉速33.58r/min,產量210t/h,入料粒度≤30mm;配套選粉機JXF4100GY,成品量180~220t/h,比表面積≥200m2/kg,最大喂料量600t/h,通過氣體溫度≤150℃,通風量(70~90℃)180000m3/h;球磨機Φ4.8m×9.5m,裝機功率3550kW,產量180t/h,生產P·O42.5水泥時,比表面積360~380 m2/kg;配套O-Sepa選粉機,通風量240000m3/h,最大通過量720t/h。水泥粉磨系統工藝流程見圖1,系統設計指標:生產P·O42.5水泥,臺時產量180t/h,分步電耗35.5kWh/t,比表面積360m2/kg,生產P·C32.5水泥,臺時產量240t/h,分步電耗26.6kWh/t,比表面積370m2/kg。物料配比及相應的水分情況見表1。

2 出現的問題
該公司3個水泥粉磨系統于2012年2月起陸續進入試生產,調試初期存在的主要問題:1)立磨振動大,經常跳停,開停機頻繁,個別部件因振動大而損壞;2)熟料易磨性差。由此導致立磨系統故障較多,臺時產量低。
3 問題分析和改造措施
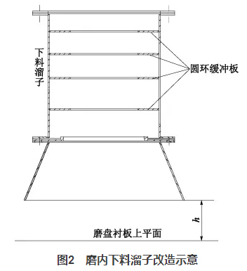
3.1 改造立磨下料溜子,調整偏料,穩定料層
由于生產一線技術人員缺乏操作經驗,立磨初期運行時振動過大,水平振動值在3.7mm/s,垂直振動值在4mm/s,并且隨著料層的變化等因素影響,有時振動值還會更高,達到8mm/s。通過分析,立磨振動時,其主電動機電流波動較大,最低值在100A左右,而最高值在145A 左右,立磨循環斗式提升機的電流波動也較大,極差在25A左右,初步判斷為立磨系統下料不均造成的。在進磨觀察磨盤上的物料分布情況時發現,磨內中心溜子的出料有明顯的偏差,磨內的東側和南側(即斗式提升機下料點和選粉機回粉)的物料較多,并且對應上部溜子的磨損也較為嚴重,而其他兩個方向的物料較少,基本符合磨內下料點偏移和下料不均的判斷。隨即安排在入磨的中心溜子內增加了寬度100mm厚度10mm的圓環緩沖板,見圖2。

一方面它降低了入磨物料高落差對溜子的沖刷,另一方面圓環的收口作用使得物料的下料點發生了變化,將原先的單點偏心下料改成接近中心下料,改善了物料在磨盤上的偏離現象。同時,適當調整h值的大小(原設計600mm,最終改為400mm),使得下料波動時,可以起到一定的緩沖作用,穩定料床。
3.2 選粉機粗粉下料管上加裝簡易穩料鎖風閥
立磨上部的緩沖料倉有效容量25t,其設置目的是喂料出現異常情況時可以有所緩沖,實際正常運行時倉內基本不存料。物料經由斗式提升機直接喂入緩沖料倉再入磨,立磨粉磨過的物料經由斗式提升機喂入立磨選粉機,粗粉經緩沖料倉再次入磨,細粉喂入管磨機進行進一步粉磨。由于立磨選粉機下部的粗粉鎖風閥是重錘式雙翻板鎖風閥,其開閉由閥板上物料質量的大小決定,所以是間斷的或隨機的,由此導致喂入磨盤的粗粉波動。
后經現場觀察,反復研究,在選粉機粗粉鎖風閥下面的下料管處,現場加裝了一個簡易穩料鎖風閥,其結構見圖3,原來的雙翻板鎖風閥保留不動。橡膠皮帶板由橡膠輸送皮帶制成,其一側用法蘭固定,深入溜槽內部的長度可以根據實際情況進行調節,溜槽內部部分橡膠板的兩側用螺栓固定有兩塊耐磨鋼板制成的護板,護板與下料溜子的一側留有一定空隙,保持橡膠皮帶板能夠自由地擺動。選粉機原粗粉鎖風閥是雙翻板鎖風閥,有一定量的泄漏風,而新裝的簡易穩料鎖風閥,當物料堆積到一定量時,可將橡膠皮帶板推開,出現開口,物料流出,當物料少到一定量時,由于上行泄漏氣流的作用,橡膠皮帶板回復原位,由于有擋板的作用,基本可以鎖住泄漏風。實際生產時,上述過程會平衡在一個相對固定的位置,物料持續向下流出,橡膠皮帶板限制泄漏風在一個最小的范圍內,從而使得選粉機喂入立磨的粗粉流量基本穩定,排除了波動性。

通過以上兩項改動后立磨的振動值大幅下降,基本穩定在1.2mm/s的水平。
3.3 調整擋料圈高度和液壓缸蓄能器充氣壓力
通過觀察中控室立磨主電動機電流曲線和循環斗式提升機電流曲線,立磨的電流在95~100A左右,而立磨的額定電流在157A ,也就是說立磨的有效功率只發揮了60%的水平。立磨上腔的加載壓力在8.8MPa左右,而波動值超過了3MPa,現場各個磨輥的上下擺動較大。從上述的一些參數及現場現象分析判斷立磨的磨內料層較薄。為此,在利用經濟運行和庫滿停機時間,將3臺磨的擋料圈加高了30mm(原設計50mm),加高后立磨的電流從原來的100A 左右上升到了130A左右,說明立磨做功明顯提高,但是立磨加載壓力波動大的問題還是沒有解決。通過現場立磨液壓缸活動量較大和現場液壓站加壓泵頻繁啟動的現象來看,初步懷疑是立磨上腔氮氣囊壓力低,立磨的保壓效果不好,不能對立磨的加載壓力進行有效緩解和補充,致使加壓泵頻繁啟動和壓力波動較大。經檢測,立磨氮氣囊的壓力僅有2.5MPa,將其提高到4.5MPa,提高了加壓系統的柔性,立磨加載壓力波動大的問題也隨之解決。
3.4 統一校準磨輥間隙
以前在單個液壓缸的底座銷軸和上部磨輥搖臂銷軸斷裂時,只是簡單地把斷裂的銷軸恢復并按照安裝時的磨輥間隙進行調整,而忽略了由于磨盤、磨輥的磨損,其他兩個磨輥間隙已經發生了變化,沒有統一地把三個磨輥的間隙一起調整,導致在運行時三個磨輥受力不平衡,單個液壓缸受力偏載是造成銷軸斷裂的主要原因。臨時停機,把磨機的三個液壓缸通過調整中間螺紋連接來統一標定磨輥間隙,同時由于磨機振動幅度大幅下降,液壓缸的銷軸斷裂問題也得到了解決。
3.5 提高熟料質量,改善易磨性,為粉磨系統提高效率創造條件
鑒于出篦冷機熟料溫度高(最高達165℃)、易磨性差的問題,安排窯系統以及質檢部進行溝通,及時調整配料方案,在窯系統能維持正常運行的前提下,適當提高熟料飽和比,增加熟料礦物中C3S含量,降低C2S含量。一方面提高了熟料的強度,另一方面由于C2S的減少,熟料的易磨性也有了很大改善。更重要的一點,在2013年度的大修中把篦冷機高溫端的篦板做了改造,改造完成后出篦冷機的熟料溫度大幅度降低,目前穩定在90℃左右,由于熟料的急冷效果明顯提高,熟料的易磨性有了明顯改善。
4 改后效果
通過以上幾個方面的整改,水泥粉磨系統的臺時產量有了明顯提升,表2是改造前后的運行數據,表3是水泥粉磨系統改造前后操作參數對照。

注:1)“分步電耗月報指標”系指統計月內系統累計消耗電量除以累計產量;2)“性能指標”系指系統連續穩定運行時間段內所達到的指標。
5 體會
由立磨預粉磨和球磨機組成的水泥聯合粉磨系統目前是諸多高效粉磨系統之一,尤其是對于已有單獨球磨機粉磨系統的提產降耗改造,不失為一項比較經濟的選擇。但立磨和球磨機組成的聯合粉磨系統,對系統的操作技能要求要比單獨球磨機粉磨系統復雜得多,其中關鍵之處在于充分發揮立磨預粉磨系統的效能,總結關鍵點如下:
1)熟練操作,正確把握各相關參數,如:系統壓力、蓄能器充氣壓力、風機風量及選粉機轉速等。
2)系統設計時應當充分考慮喂料的連續性和穩定性,優化擋料圈高度,保持料床厚度適宜、穩定,減小磨機振動。
3)進入立磨的混合料應當保持適宜的水分,水分過高會因系統缺乏烘干能力導致產品水分超標,過低可能引起磨機振動。
4)立磨產生的半成品比表面積目前為210m2/kg,主電動機電流130A。適當調節操作可以將比表面積提高到250m2/kg以上,產量有望進一步提高,分步電耗進一步下降。
5)該聯合粉磨系統經調試正常運行后,系統設備運行平穩,可靠性較高。系統運行經濟技術指標與輥壓機和球磨機組成的聯合粉磨系統對應指標相近,但立磨的設備維修維護費用及復雜度都比輥壓機簡單得多,不失為現有球磨機單獨粉磨系統節能改造的又一選擇。
作者:劉新玉,王利濤,朱鳳春
作者單位:唐山冀東水泥股份有限公司
文章摘自《水泥》雜志2015年第10期